关键字:智能消火栓水压远程在线监测设备 消防栓管网压力监测 智能消火栓压力监测设备 消防栓压力检测仪器
|
产品简介 |
|||
|
|
|||
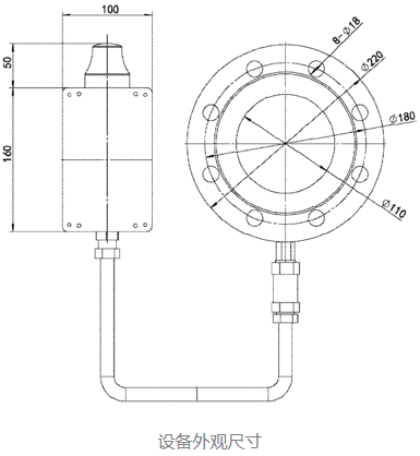
平升智能消火栓水压远程在线监测设备(智能消火栓压力监测终端),是一款专为城市消防栓监控管理设计的产品,直接安装于现有消火栓上,持续监测供水管网水压变化,确保火灾发生时消火栓正常供水;并在压力数据异常时自动报警,便于及时发现异常出水或偷盗水行为。设备采用“定时工作+闲时休眠”的微功耗模式,搭配高性能锂电池,具备长期稳定运行能力,通过4G上报信息到监管平台,为水司及消防部门实现全面、智能的消火栓管理提供可靠支持。

|
产品功能 |
|||
|
|
|||
|
|
24小时水压监测,保障灭火时充足的水压 定时采集管网压力,捕捉压力变化,欠压或过压时立即报警。 |
![]() |
设备状态自主巡检,省心高效 自动监测设备状态,包括电池电量、网络信号强度、倾斜状态等、故障提前预警,实现预防性维护。 |
|||
|
|
及时发现偷水、漏水,减少水资源浪费 通过平台软件分析压力数据的异常变化,辅助管理人员判断是否存在非法用水或管道泄漏。 |
|
设参方式灵活,提升运维效率 无线远程设参、现场蓝牙设参均可。 |
|||
![]() |
倾倒瞬间感知,助力快速现场处置 内置倾角传感器,当消火栓被车辆撞倒或发生倾斜时,会立即发出报警,方便管理部门快速定位及时修复。 |
![]() |
数据安全存储,确保记录完整可查 监测数据本地循环保存,意外断电不丢失。 |
|||
![]() |
GNSS精准定位,为救援指引最近消火栓 通过指挥中心或者手机APP随时查看消火栓位置分布,彻底改变了现场找栓的原始模式。 |
![]() |
一源多传,协同高效 通过蓝牙 BLE、4G ,数据同步分发至多个相关各部门与平台。 |
|
监管平台 |
|||
|
|
|||
|
● 一张图总览全局,了解所有消火栓位置、状态、当前报警信息 |
● 实时展示压力数据,同期对比、曲线分析压力变化趋势 |
|
|
● 压力越限、设备倾倒、电量不足、网络信号弱等立即提示报警信息 |
● 手机APP同步监测,方便巡检人员随时随地掌握信息 |
|
|
技术参数 |
|||
|
|
|||


相关推荐
关键字:智能消火栓水压远程在线监测设备 消防栓管网压力监测 智能消火栓压力监测设备 消防栓压力检测仪器










冀公网安备 13024002000212号